
-
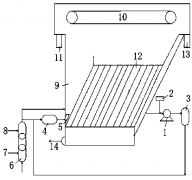
高效微纳米气浮污水处理工艺
本发明提供一种高效微纳米气浮污水处理装置,涉及污水处理技术领域。该高效微纳米气浮污水处理装置,包括高效气液混合泵、负压流量控制器、微纳米溶气制备器、微涡旋反应器、...
2020-08-20

-
污水处理厂沼气制氢系统及方法
本发明公开了一种污水处理厂沼气制氢系统及方法,厌氧发酵池的沼气出口经脱硫吸附装置及氮氧脱除装置与还原反应器的入口相连通,还原反应器的出口与第一分离器的入口相连通,...
2020-08-20

-
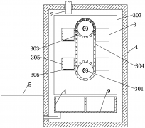
密闭多重循环式污水处理工艺
本实用新型实施例公开了一种密闭多重循环式污水处理装置,包括箱体和与箱体顶部连通的进水管道,所述箱体内顶部设置有初选装置,所述初选装置的下方设置有安装在箱体内壁上的...
2020-08-20

-
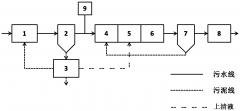
闭式污水生化处理装置及工艺
本发明公开了一种闭式污水生化处理装置,包括封闭的罐体;其内设置内环,内环的下侧设置导流伞;内环的底部与导流伞之间具有间隙,导流伞与罐体的内壁之间具有间隙;导流伞的上侧...
2020-08-20

-
新型节能高出水标准污水处理工艺
本发明的新型节能的高出水标准污水处理系统,包括碳源捕捉池、一次沉淀池、厌氧水解池、二次沉淀池、MBR滤池和亚硝氮投加设备,一次沉淀池与二次沉淀池之间沿污水流向依次设置...
2020-08-20

-
混凝土污水砂石分离一体化方法
本发明涉及混凝土搅拌站污水处理的设备及工艺,具体涉及混凝土污水砂石分离一体化设备及分离方法。该设备包括机架、振动筛、沉淀槽和螺旋输送机,振动筛安装在机架顶部,沉淀...
2020-08-20





电话:028-81291392
手机:18123218647
邮箱:349984202@qq.com